Терморегулятор с датчиком температуры 12 вольт. W1209 Термореле (терморегулятор программируемый) с герметичным датчиком
Универсальный цифровой терморегулятор ТР-12В-DS предназначен для измерения и поддержания температуры в заданных пределах (от -55 до +125°С), и может широко использоваться для точного регулирования температуры в электросхемах с напряжением 12 Вольт.
Область применения
Терморегулятор ТР-12В-DS наиболее востребован для применения в автомобильной технике с бортовой сетью 12В; может использоваться в инкубаторах, брудерах; в различных системах на основе аккумуляторов, солнечных батарей и других альтернативных источниках энергии; в оборудовании с питанием от 12 Вольт. Датчиком температуры служит широко распространенный высокоточный цифровой датчик DS18B20.
Функциональные возможности
Терморегулятор климат-контроля ТР-12В-DS измеряет значение температуры в месте расположения датчика и дает команду на включение или выключение нагрузки посредством электромагнитного реле. К нему подключаются любые нагревательные или охладительные электроприборы. При этом, максимальная мощность подключаемых устройств не должна превышать 2500 Ватт активной нагрузки (10 Ампер при cos ? = 1).
Прибор имеет настройки температуры, которую надо поддерживать, и гистерезиса, то есть разности температур между включением и выключением нагрузки, благодаря чему можно задать более широкий температурный «коридор» и избежать чрезмерно частого срабатывания реле. Универсальный терморегулятор ТР-12В-DS можно настроить как на режим нагрева (включение нагревательного прибора при падении температуры ниже заданной), так и на режим охлаждения (включение охладительного прибора при поднятии температуры выше заданной). Кроме того, терморегулятор имеет встроенный таймер, благодаря которому можно программировать терморегулятор на поддержание температуры в течение определенного времени (поддержание температуры Х минут -> выключение до ручного включения) либо на работу в циклическом режиме (поддержание температуры Х минут -> простой Y минут -> поддержание температуры …). Также прибор имеет возможность ограничения задаваемых верхнего и нижнего предела диапазона поддерживаемой температуры.
Терморегулятор поставляется в небольшом прозрачном корпусе 6 (8) х 5 х 3 см и имеет отверстия для закрепления саморезами (винтами) на любой подходящей поверхности.
Технические характеристики|
Параметр |
Значение |
|
Диапазон измеряемой температуры |
от -55 до +125 °С |
|
Разрешающая способность |
0,1 °С, 0,1 °С в диапазоне от -9,9 до +99,9 °С, 1 °С в диапазоне от -55 до -10 °С и от +100 до +125 °С |
|
Погрешность измерения температуры |
|
|
Гистерезис (разность между температурами включения и выключения) |
плюс-минус от 0 до 50,0 °С |
|
Время таймера работы |
от 0 до 999 минут |
|
Время таймера простоя |
от 0 до 999 минут |
|
Звуковая сигнализация окончания процесса |
|
|
Выбор логики работы |
нагрев или охлаждение |
|
Максимальный коммутируемый ток при cos ? =1 |
|
|
Длина соединительных проводов датчика |
|
|
Напряжение питания прибора |
12 Вольт AC/DC |
|
Способ монтажа (подключения) |
на плоскую поверхность, портативный корпусной |
|
Габаритные размеры |
6 (8) х 5 х 3 см |
Привет всем любителям электронных самоделок. Недавно я по быстрому смастерил электронный терморегулятор своими руками, схема устройства очень проста. В качестве исполнительного устройства используется электромагнитное реле с мощными контактами, которые могут выдержать ток до 30 ампер. Поэтому рассматриваемая самоделка может использоваться для разных бытовых нужд.
По нижеприведенной схеме, терморегулятор можно использовать, например, для аквариума или для хранения овощей. Кому то он может пригодиться при использовании совместно с электрическим котлом, а кто-то его может приспособить и для холодильника.
Электронный терморегулятор своими руками, схема устройства

Как я уже говорил, схема очень проста, содержит минимум недорогих и распространённых радиодеталей. Обычно терморегуляторы строятся на микросхеме компараторе. Из-за этого устройство усложняется. Данная самоделка построена на регулируемом стабилитроне TL431:

Теперь поговорим подробнее о тех деталях, которые я использовал.
Детали устройства:
- Трансформатор понижающий на 12 вольт
- Диоды; IN4007, или другие с похожими характеристиками 6 шт.
- Конденсаторы электролитические; 1000 мк, 2000 мк, 47 мк
- Микросхема стабилизатор; 7805 или другая на 5 вольт
- Транзистор; КТ 814А, или другой p-n-p c током коллектора не меньше 0,3 А
- Регулируемый стабилитрон; TL431 или советский КР142ЕН19А
- Резисторы; 4,7 Ком, 160 Ком, 150 Ом, 910 Ом
- Резистор переменный; 150 Ком
- Терморезистор в качестве датчика; около 50 Ком с отрицательным ТКС
- Светодиод; любой с наименьшим током потребления
- Реле электромагнитное; любое на 12 вольт с током потребления 100 мА или меньше
- Кнопка или тумблер; для ручного управления
Как сделать терморегулятор своими руками
В качестве корпуса был использован сгоревший электронный счётчик Гранит-1. Плата, на которой расположились все основные радиодетали также от счетчика. Внутри корпуса поместились трансформатор блока питания и электромагнитное реле:


В качестве реле я решил использовать автомобильное, которое можно приобрести в любом автомагазине. Рабочий ток катушки приблизительно 100 миллиампер:


Так как регулируемый стабилитрон маломощный, его максимальный ток не превышает 100 миллиампер, непосредственно включить реле в цепь стабилитрона не получится. Поэтому пришлось использовать более мощный транзистор КТ814. Конечно, схему можно упростить, если применить реле, у которого ток через катушку будет меньше 100 миллиампер, например или SRA-12VDC-AL. Такие реле можно включить непосредственно в цепь катода стабилитрона.
Немного расскажу о трансформаторе. В качестве, которого я решил использовать нестандартный. У меня завалялась катушка напряжения от старого индукционного счетчика электрической энергии:

Как видно на фотографии там имеется свободное место для вторичной обмотки, я решил попробовать намотать её и посмотреть что получится. Конечно площадь поперечного сечение сердечника у него маленькая, соответственно и мощность небольшая. Но для данного регулятора температуры этого трансформатора достаточно. По расчётам у меня получилось 45 витков на 1 вольт. Для получения 12 вольт на выходе нужно намотать 540 витков. Чтобы уместить их я использовал провод диаметром 0,4 миллиметра. Конечно, можно использовать готовый с выходным напряжением 12 вольт или адаптер.
Как вы заметили, в схеме стоит стабилизатор 7805 со стабилизированным выходным напряжением 5 вольт, который питает управляющий вывод стабилитрона. Благодаря этому регулятор температуры получился со стабильными характеристиками, которые не будут изменяться от изменения питающего напряжения.
В качестве датчика я использовал терморезистор, у которого при комнатной температуре сопротивление 50 Ком. При нагревании сопротивление данного резистора уменьшается:

Чтобы защитить его от механических воздействий я применил термоусаживающие трубочки:


Место для переменного резистора R1 нашлось с правой стороны терморегулятора. Так как ось резистора очень короткая пришлось напаять на неё флажок, за который удобно поворачивать. С левой стороны я поместил тумблер ручного управления. При помощи него легко проконтролировать рабочее состояние устройства, при этом, не изменяя выставленную температуру:


Несмотря на то, что клемник бывшего электросчетчика очень громоздкий, убирать его из корпуса я не стал. В него чётко входит вилка, от какого либо прибора, например электрообогревателя. Убрав перемычку (на фотографии желтая справа) и включив вместо перемычки амперметр можно померить силу тока, отдаваемую в нагрузку:

Теперь осталось проградуировать терморегулятор. Для этого нам понадобится . Нужно оба датчика устройства соединить вместе при помощи изоленты:

Термометром произвести замер температуры различных предметов горячих, холодных. При помощи маркера нанести шкалу и разметку на терморегуляторе, момент включения реле. У меня получилось от 8 до 60 градусов Цельсия. Если кому-то нужно сдвинуть рабочую температуру в ту или иную сторону, это легко сделать, изменив номиналы резисторов R1, R2, R3:

Вот мы и сделали электронный терморегулятор своими руками. Внешне выглядит вот так:

Чтобы не было видно внутренности устройства, через прозрачную крышку, я ее закрыл скотчем, оставив отверстие под светодиод HL1. Некоторые радиолюбители, кто решил повторить эту схему, жалуются на то, что реле включается, не очень чётко, как бы дребезжит. Я ничего этого не заметил, реле включается и отключается очень чётко. Даже при небольшом изменении температуры, никакого дребезга не происходит. Если все-таки он возникнет нужно подобрать более точно конденсатор C3 и резистор R5 в цепи базы транзистора КТ814.
Собранный терморегулятор по данной схеме включает нагрузку при понижении температуры. Если кому то наоборот понадобится включать нагрузку при повышении температуры, то нужно поменять местами датчик R2 с резисторами R1, R3.
После новогодних «каникул» начинают валом сыпаться давно ожидаемые посылки. Вот мне и пришёл термостат для одной моей DIY фиговины (я упоминал о ней в своём обзоре).
Похожий уже был здесь в , который написал
Но этот, хоть и несколько подороже, зато больше настроек, да и реле помощнее.
Описание продавца:
Температурный диапазон: -9-99 по Цельсию
Точность: 1 по Цельсию
Точность управления: 1 по Цельсию
Диапазон настройки: -9-99 по Цельсию
Частота обновления: 0.5 S
Входная мощность: DC12V
Выход: релейный выход, Емкость 220 В 10a/12 В 10А
Экологические требования: -10-60 по Цельсию
Влажность: 20%-85%
Размер: 78x51 мм
Датчик температуры: NTC (3950-10 К 1%)
Применимо к различным пространственное контроля температуры, Регулирование температуры воды, инкубаторы, и т. д.
Огни, цифровой трубки, ключевым государственным Описание
Красный индикатор запуска:
Начать (красный) индикатор, который означает, что реле закрыты, устройство начинает работать
Зеленый стоп-сигнал:
Стоп (зеленый) свет, который означает, что реле отключен, устройство перестает работать
Цифровой трубы
Средний Красный светодиодный дисплей для ток температура обнаружения, Слева зеленый цифровой дисплей трубки как набор старт температура, Правой стороне Зеленый Цифровой дисплей для набора остановка температуры.
Подключаем к древнему многострадальному АТ БП (заодно нагрузив его вентилятором для охлаждения датчика).
Термостат «кушает» 12 вольт, именно то, что мне нужно.
Реле нормально разомкнутое, указано, что коммутируемый ток до 10 ампер.
Индикаторы показывают, кроме текущей температуры, ещё и границы срабатывания. Назову их стартовой и финишной температурой (Ksiman в своём обзоре использовал умное слово «гистерезис», мне такое, честно говоря, «слабО»)

К сожалению, светодиодные сборки довольно трудно сфотографировать, так что мне придется ещё и расписывать, ЧТО же там было видно.
Ставим стартовую температуру в 22 градуса и крепко сжимаем датчик в руке…
(стартовая 22, текущая 22, финишная 23)

Температура поднимается и реле срабатывает - текущая температура 24:

Если нужно сделать наоборот - включение при понижении температуры, то достаточно стартовую сделать выше финишной.
Стартовая 24, текущая 24, финишная 22, датчик остужаю вентилятором. Очень медленно остывает…

Ток потребления достаточно небольшой:

Обратная сторона платы. Реле типовое, я даже не стал его нагружать - и так щелчок слышно:

Микросхемы крупным планом.


Звукового сигнала при срабатывании реле нет, буззер, распаянный на плате, попискивает только при нажатии кнопок.
Датчик:

Следует заметить, что установленные пороговые значения температуры сохраняются при отключении питания.
Вот и всё. Простите за некоторую сумбурность, просто очень холодно, мысли путаются.
Термостат куплен за свои.
Планирую купить +78 Добавить в избранное Обзор понравился +45 +107Модуль термореле W1209 предназначен для контроля температуры в диапазоне от -50 до +100 градусов. Оснащен LED дисплеем на 3 символа, индикатором включения реле, тремя кнопками управления электронным терморегулятором, разъемом для подключения внешнего термодатчика, клеммами "K0/K1" для подключения нагрузки и "+12V/GND" для питания платы терморегулятора. На дисплее отображается текущая измеряемая температура с датчика, "LL" - если датчик не подключен, и "HH" - если температура вне диапазона.
Характеристики термореле W1209:
| Терморезистор |
NTC (10К 0.5%) водонепроницаемый датчик |
| Температурный диапазон |
от -50°C до +110°C |
| Точность измерения |
|
| Точность управления |
0.1°C в диапазоне от -9.9°C до 99.9°C, или 1.0°C вне этого диапазона |
| Время обновления показаний |
0.5 секунды |
| Гистерезис (запаздывание) |
0.1°C ....... 5°C |
| Точность гистерезиса (запаздывание) |
0.1°C |
| Напряжение питания |
DC 12V |
| Ток покоя |
|
| Рабочий ток |
|
| Выходное напряжение |
DC 12V |
| Максимальный ток нагрузки |
5A / AC 125V, 15A / DC 14V |
| Допустимая влажность |
от 20% до 85%, Rh |
| Длина кабеля | 0,3 метра |
| Размеры |
48 мм * 40 мм |
LED дисплей отображает следующие значения:
«LLL» - Датчик не подключен«HHH» - Температура вне диапазона (меньше -50°С или больше 110°C)
«- - - » - Превышение пределов заданных в параметре P6
Подготовка к работе:
- Подключить источник питания 12V постоянного напряжения к контактам «+12V» (плюс 12V) и «GND» (минус 12V)
- Подключить нагрузку к контактам «K0» и «K1» (подключается в разрыв цепи питания управляемого прибора - последовательное подключение)
После подачи питания 12V на контакты «+12V» и «GND», на LED дисплее отобразится текущая температура, измеренная выносным датчиком температуры
Установка и настройка заданной температуры:
Для установки температуры контроля кратковременно нажмите кнопку «SET». после чего кнопками «+» и «-» установите заданную температуру. После установки температуры необходимо еще раз нажать на кнопку «SET», либо не нажимать никакие кнопки в течение 5 секунд.
Программирование:
- Для входа в режим программирования нажмите на кнопку «SET» в течение 5 секунд!
- Кнопками «+» и «-» выбрать код параметра меню (P0....P6) из таблицы «Меню терморегулятора»
- Для настройки параметра нажать на кнопку «SET» и кнопками «+» и «-» изменить значение параметра
- Для сохранения настроек нажать на кнопку «SET», либо не нажимать никакие кнопки в течение 5 секунд.
Для того, чтобы сбросить параметры на заводские настройки (настройки по умолчанию):
- Отключите питание
- Нажмите и удерживайте кнопки « + » и « - »
- Подать питание на терморегулятор
На LED дисплее появится надпись «888», после чего отобразится текущая температура.
В этой статье мы будем рассматривать устройства, поддерживающие определенный тепловой режим, или же сигнализирующие о достижении нужного значения температуры. Такие устройства имеют очень широкую сферу применения: они могут поддерживать заданную температуру в инкубаторах и аквариумах, теплых полах и даже являться частью умного дома. Для вас мы предоставили инструкцию о том, как сделать терморегулятор своими руками и с минимумом затрат.
Немного теории
Простейшие измерительные датчики, в том числе и реагирующие на температуру, состоят из измерительного полуплеча из двух сопротивлений, опорного и элемента, меняющего свое сопротивление в зависимости от прилаживаемой к нему температуры. Более наглядно это представлено на картинке ниже.
Как видно из схемы, резистор R2 является измерительным элементом самодельного терморегулятора, а R1, R3 и R4 опорным плечом устройства. Это терморезистор. Он представляет собой проводниковый прибор, который изменяет своё сопротивление при изменении температуры.

Элементом терморегулятора, реагирующим на изменение состояния измерительного плеча, является интегральный усилитель в режиме компаратора. Данный режим переключает скачком выход микросхемы из состояния выключено в рабочее положение. Таким образом, на выходе компаратора мы имеем всего два значения «включено» и «выключено». Нагрузкой микросхемы является вентилятор для ПК. При достижении температуры определенного значения в плече R1 и R2 происходит смещение напряжения, вход микросхемы сравнивает значение на контакте 2 и 3 и происходит переключение компаратора. Вентилятор охлаждает необходимый предмет, его температура падает, сопротивление резистора меняется и компаратор отключает вентилятор. Таким образом поддерживается температура на заданном уровне, и производится управление работой вентилятора.
Обзор схем
Напряжение разности с измерительного плеча поступает на спаренный транзистор с большим коэффициентом усиления, а в качестве компаратора выступает электромагнитное реле. При достижении на катушке напряжения, достаточного для втягивания сердечника, происходит ее срабатывание и подключение через ее контакты исполнительных устройств. При достижении заданной температуры, сигнал на транзисторах уменьшается, синхронно падает напряжение на катушке реле, и в какой-то момент происходит расцепление контактов и отключение полезной нагрузки.

Особенностью такого типа реле является наличие - это разница в несколько градусов между включением и отключением самодельного терморегулятора, из-за присутствия в схеме электромеханического реле. Таким образом, температура всегда будет колебаться на несколько градусов возле нужного значения. Вариант сборки, предоставленный ниже, практически лишен гистерезиса.
Принципиальная электронная схема аналогового терморегулятора для инкубатора:

Данная схема была очень популярна для повторения в 2000 годах, но и сейчас она не потеряла актуальность и с возложенной на нее функцией справляется. При наличии доступа к старым деталям, можно собрать терморегулятор своими руками практически бесплатно.
Сердцем самоделки является интегральный усилитель К140УД7 или К140УД8. В данном случае он подключен с положительной обратной связью и является компаратором. Термочувствительным элементом R5 служит резистор типа ММТ-4 с отрицательным ТКЕ, это значит, что при нагревании его сопротивление уменьшается.
Выносной датчик подключается через экранированный провод. Для уменьшения и ложного срабатывания устройства, длина провода не должна превышать 1 метр. Нагрузка управляется через тиристор VS1 и максимально допустимая мощность подключаемого нагревателя зависит от его номинала. В данном случае 150 Ватт, электронный ключ - тиристор необходимо установить на небольшой радиатор, для отвода тепла. В таблице ниже представлены номиналы радиоэлементов, для сборки терморегулятора в домашних условиях.

Устройство не имеет гальванической развязки от сети 220 Вольт, при настройке будьте внимательны, на элементах регулятора присутствует сетевое напряжение, которое опасно для жизни. После сборки обязательно изолируйте все контакты и поместите устройство в токонепроводящий корпус. На видео ниже рассматривается, как собрать терморегулятор на транзисторах:
Самодельный термостат на транзисторах
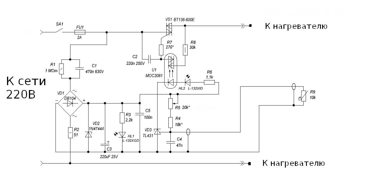
Теперь расскажем как сделать регулятор температуры для теплого пола. Рабочая схема срисована с серийного образца. Пригодится тем, кто хочет ознакомиться и повторить, или как образец для поиска неисправности прибора.
Центром схемы является микросхема стабилизатора, подключенная необычным способом, LM431 начинает пропускать ток при напряжении выше 2,5 Вольт. Именно такой величины у данной микросхемы внутренний источник опорного напряжения. При меньшем значении тока она ни чего не пропускает. Эту ее особенность стали использовать во всевозможных схемах терморегуляторов.

Как видим, классическая схема с измерительным плечом осталась: R5, R4 – дополнительные резисторы , а R9 — терморезистор. При изменении температуры происходит сдвиг напряжения на входе 1 микросхемы, и в случае, если оно достигло порога срабатывания, то напряжение идет дальше по схеме. В данной конструкции нагрузкой для микросхемы TL431 являются светодиод индикации работы HL2 и оптрон U1, для оптической развязки силовой схемы от управляющих цепей.
Как и в предыдущем варианте, устройство не имеет трансформатора, а получает питание на гасящей конденсаторной схеме C1, R1 и R2, поэтому оно так же находится под опасным для жизни напряжением, и при работе со схемой нужно быть предельно осторожным. Для стабилизации напряжения и сглаживания пульсаций сетевых всплесков, в схему установлен стабилитрон VD2 и конденсатор C3. Для визуальной индикации наличия напряжения на устройстве установлен светодиод HL1. Силовым управляющим элементом является симистор ВТ136 с небольшой обвязкой для управления через оптрон U1.
При данных номиналах диапазон регулирования находится в пределах 30-50°С. При кажущейся на первый взгляд сложности конструкция проста в настройке и легка в повторении. Наглядная схема терморегулятора на микросхеме TL431, с внешним питанием 12 вольт для использования в системах домашней автоматики представлена ниже:

Данный терморегулятор способен управлять компьютерным вентилятором, силовым реле, световыми индикаторами, звуковыми сигнализаторами. Для управления температурой паяльника существует интересная схема с использованием все той же интегральной микросхемы TL431.

Для измерения температуры нагревательного элемента используют биметаллическую термопару, которую можно позаимствовать с выносного измерителя в мультиметре или купить в специализированном магазине радиодеталей. Для увеличения напряжения с термопары до уровня срабатывания TL431, установлен дополнительный усилитель на LM351. Управление осуществляется через оптрон MOC3021 и симистор T1.
При включении терморегулятора в сеть необходимо соблюдать полярность, минус регулятора должен быть на нулевом проводе, иначе фазное напряжение появится на корпусе паяльника, через провода термопары. В этом и является главный недостаток этой схемы, ведь не каждому хочется постоянно проверять правильность подключения вилки в розетку, а если пренебречь этим, то можно получить удар током или повредить электронные компоненты во время пайки. Регулировка диапазона производится резистором R3. Данная схема обеспечит долгую работу паяльника, исключит его перегрев и увеличит качество пайки за счет стабильности температурного режима.
Еще одна идея сборки простого терморегулятора рассмотрена на видео:
Регулятор температуры на микросхеме TL431
Простой регулятор для паяльника
Разобранных примеров регуляторов температуры вполне достаточно для удовлетворения нужд домашнего мастера. Схемы не содержат дефицитных и дорогих запчастей, легко повторяются и практически не нуждаются в настройке. Данные самоделки запросто можно приспособить для регулирования температуры воды в баке водонагревателя, следить за теплом в инкубаторе или теплице, модернизировать утюг или паяльник. Помимо этого можно восстановить старенький холодильник, переделав регулятор для работы с отрицательными значениями температуры, путем замены местами сопротивлений в измерительном плече. Надеемся наша статья была интересна, вы нашли ее для себя полезной и поняли, как сделать терморегулятор своими руками в домашних условиях! Если же у вас все еще остались вопросы, смело задавайте их в комментариях.

